As a first upload, this clipart will be reviewed by a librarian.
HondaBros89Nt650
by Dysan102000 - uploaded on August 22, 2021, 2:04 pm
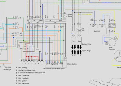
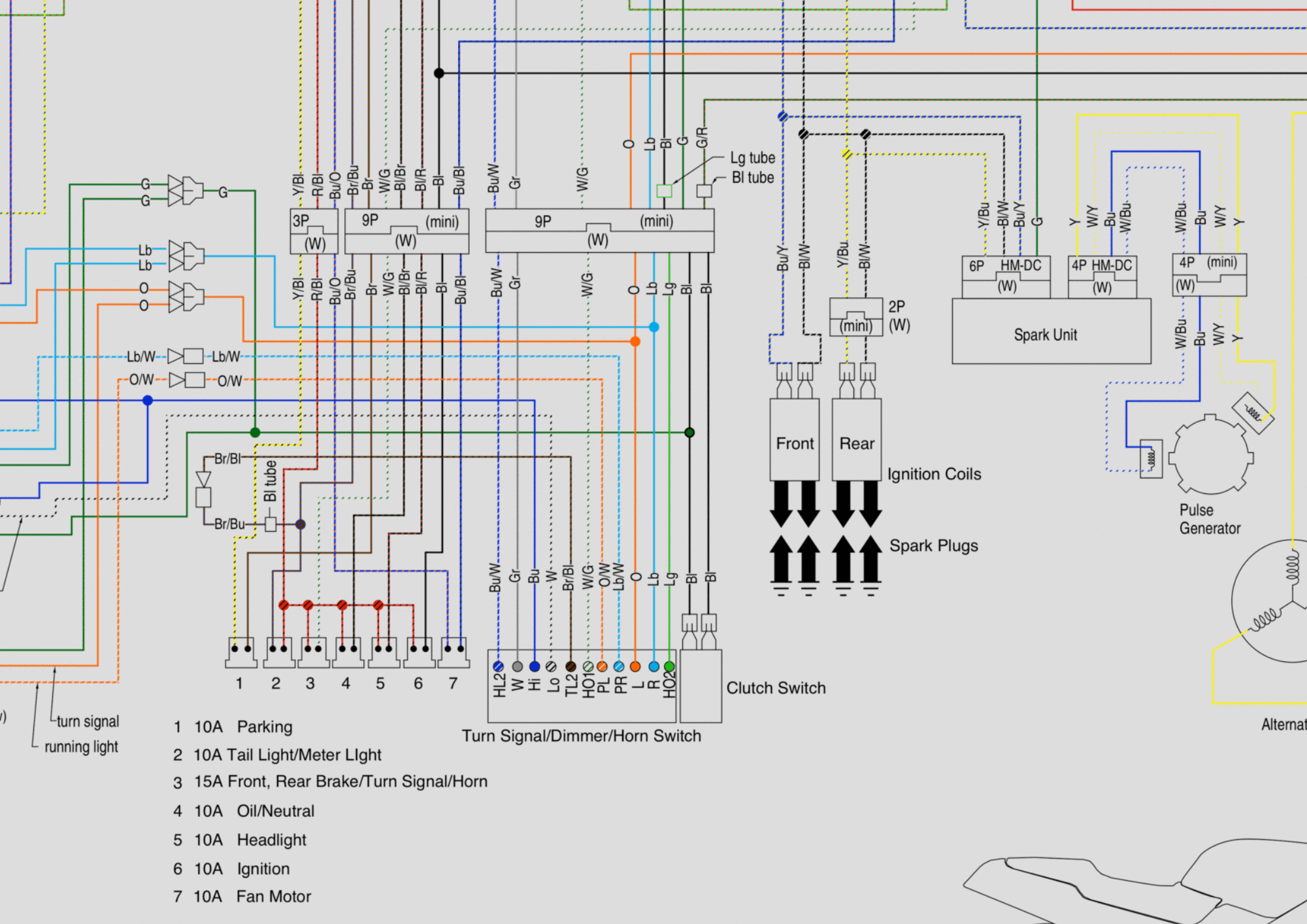
Honda Bros colour wiring diagram
Log into OpenClipart
- Tags
- Honda bros nt650 HawkGT Hawk first upload needs-review
- Filesize
- 3912 k
- Safe for Work?
- Yes
0 Comments. Please login to comment or add your own remix.